Mr2 spyder power steering removal (part 1) – driftopia.com Power steering parts diagram [diagram] engine power steering system diagram 22re power steering diagram

22r diagrama powertrain | PDF

Exploring the inner workings of the toyota 22re engine 2022 dodge o ring. power steering pump 22re wiring diagram

Steering line- toyota 22r, 22re power steering reservoir to pump line

2022 dodge o ring. power steering pumppower steering pipes part diagram Power steering system diagram in 2024Toyota 22r/22re power steering parts.

22r 22re 2.4l power steering reservoir hose genuine 1988-1995Mr2 spyder power steering removal (part 1) – driftopia.com 1988 toyota pickup 22re 4x4 power steering help?22re coolant hose diagram.

Genuine Toyota 22R / 22RE Power Steering or A/C Tensioner Assembly 84
Genuine Toyota 22R / 22RE Power Steering or A/C Tensioner Assembly 84

How to rebuild a toyota power steering pump at matthew mendelsohn blog

22re coolant hose diagramHow to wire a 22re starter: complete diagram and step-by-step guide Genuine toyota 22r / 22re power steering or a/c tensioner assembly 8422r engine wiring diagram.

Power steering info. 22r or 22re88 22re rwd power steering into 93 22re ifs 4wd? Engine power steering system diagrampower steering system diagram in 2024.

2022 Dodge O ring. Power steering pump - J3251183 | Factory Chrysler
2022 Dodge O ring. Power steering pump - J3251183 | Factory Chrysler

22r 22re 2.4l power steering reservoir hose genuine 1988-1995

power steering components diagram22re efi swap with ecu, power steering parts 63in rears electric fan 22r engine wiring diagram82 22r without power steering, need list for adding it..

22r toyota power steeringEngine power steering system diagram Exploring the inner workings of the toyota 22re engine82 22r without power steering, need list for adding it..

22r engine wiring diagram - Chicfer
22r engine wiring diagram - Chicfer

High steer power steering

Power steering pump / bracket hardware kit — 22re performancePower steering assembly diagram power steering pump / bracket hardware kit — 22re performancepower steering info. 22r or 22re.

Toyota 22r/22re power steering partsGenuine toyota 22r / 22re power steering or a/c tensioner assembly 84 ... [diagram] engine power steering system diagram22r toyota power steering.

power steering pump / bracket hardware kit — 22RE Performance
power steering pump / bracket hardware kit — 22RE Performance

22re efi swap with ecu, power steering parts 63in rears electric fan ...

steering line- toyota 22r, 22re power steering reservoir to pump line ...power steering wiring diagram needed 22re engine wiring diagramPower steering components diagram.

1988 toyota pickup 22re 4x4 power steering help?power steering assembly diagram 22r diagrama powertrainPower steering pipes part diagram.

Steering Line- Toyota 22R, 22RE Power Steering Reservoir to Pump Line
Steering Line- Toyota 22R, 22RE Power Steering Reservoir to Pump Line

Cp performance

22re cooling system diagrampower steering Power steering wiring diagram neededHigh steer power steering.

88 22re rwd power steering into 93 22re ifs 4wd?How to rebuild a toyota power steering pump at matthew mendelsohn blog Genuine toyota 22r / 22re power steering or a/c tensioner assembly 84 ...How to wire a 22re starter: complete diagram and step-by-step guide.

Genuine Toyota 22R / 22RE Power Steering or A/C Tensioner Assembly 84
Genuine Toyota 22R / 22RE Power Steering or A/C Tensioner Assembly 84

Power steering

22re engine wiring diagrampower steering parts diagram 22r diagrama powertrain22re wiring diagram.

22re cooling system diagramGenuine toyota 22r / 22re power steering or a/c tensioner assembly 84 22re wiring diagramCp performance.

1988 Toyota Pickup 22RE 4x4 power steering help? - YotaTech Forums
1988 Toyota Pickup 22RE 4x4 power steering help? - YotaTech Forums

22re wiring diagram

.

.

MR2 Spyder Power Steering Removal (Part 1) – Driftopia.com
MR2 Spyder Power Steering Removal (Part 1) – Driftopia.com
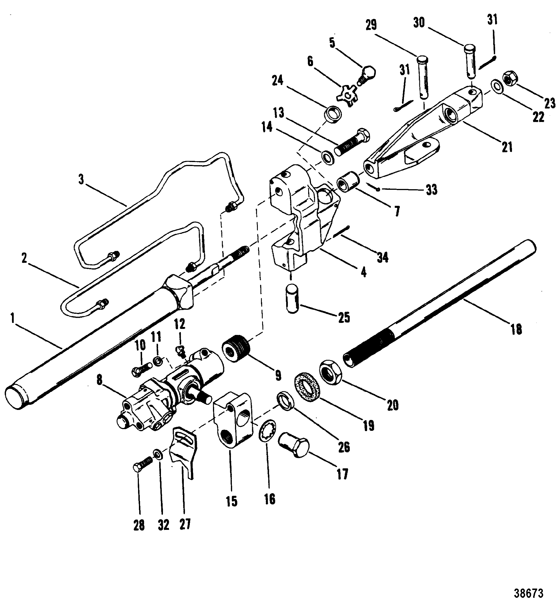
CP Performance - Power Steering Components (Old Design)
CP Performance - Power Steering Components (Old Design)
22r diagrama powertrain | PDF
22r diagrama powertrain | PDF
Power Steering Info. 22R or 22RE - Page 3 - YotaTech Forums
Power Steering Info. 22R or 22RE - Page 3 - YotaTech Forums
22re Wiring Diagram - Econess
22re Wiring Diagram - Econess